
中车CRRC汽车电流传感器NACA.XXXM-S5/SP2VA
品牌:中车
型号:NACA.XXXM-S5/SP2VA
系列:汽车电流传感器
工作温度范围:-40℃~+125℃
应用领域:NACA XXXM-S5/SP2VA系列电流传感器适用于对交流、直流、脉冲电流的隔离精确测量,测量时一次侧与二次侧间完全绝缘。
NACA XXXM-S5/SP2VA系列电流传感器适用于对交流、直流、脉冲电流的隔离精确测量,测量时一次侧与二次侧间完全绝缘。
性能要求 | ||||||
参数名称 | 符号 | 单位 | 参数 | 条件 | ||
最小值 | 典型值 | 最大值 | ||||
电气参数 | ||||||
最大量程 | IPN1 | A | 200A~1200A | For more details, please contact CRRC | ||
电源电压 | UC | V | 4.75 | 5 | 5.25 | |
工作温度 | TA | °C | -40 | 125 | ||
输出电压(模拟) | Vout | V | Vout=(Uc/5)·(V0+G·Ip) | |||
灵敏度 | G | mV/A | G=2000/IP | @UC=5V | ||
零点输出 | VO | V | 2.5 | |||
电流消耗 | IC | mA | 13 | 15 | @ UC=5V,No load on Vout | |
负载电阻 | RL | KΩ | 10 | |||
负载电容 | CL | nF | 1 | 10 | ||
输出内阻 | ROUT | Ω | 10 | DC | ||
性能参数 | ||||||
灵敏度误差 | εG | % | ±1 | @TA=25℃,@UC=5V,IP≤900A | ||
±2.25 | @TA=25℃,@UC=5V,IP>900A | |||||
±3.25 | @-40℃<TA<125℃,@UC=5V | |||||
电零点偏移 | VOE | mV | ±3 | |||
磁零点偏移 | VOM | mV | ±2 | |||
零点输出误差 | Xo | % | ±0.5 | @TA=25℃,@UC=5V | ||
±0.9 | @-40℃<TA<125℃,@UC=5V | |||||
比例误差 | ɛR | % | ±0.5 | |||
线性度误差 | εL | % | ±0.5 | Of full range | ||
响应时间 | tr | μs | 4 | 7 | ||
带宽 | BW | kHz | 40 | @-3dB | ||
相位差 | ∆φ | ° | -4 | @DC to 1kHz | ||
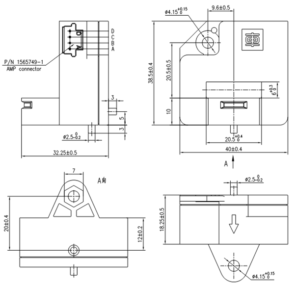
| 尺寸图 |
系列尺寸 |
|
机械参数 | 备注 |
● Plastic case PA 66 GF 25 | ● ● VOUT>VO when IP flows in the positive direction (see arrow on drawing) |
电气接口 | |
| |



