欢迎来到红宝电子!

中车CRRC汽车电流传感器NACA.XXXB-S5/VA
品牌:中车
型号:NACA.XXXB-S5/VA
系列:汽车电流传感器
工作温度范围:-40℃~+125℃
应用领域:NACA XXXB-S5/SP2VA系列电流传感器适用于对交流、直流、脉冲电流的隔离精确测量,测量时一次侧与二次侧间完全绝缘。
产品详情
产品说明
NACA XXXB-S5/SP2VA系列电流传感器适用于对交流、直流、脉冲电流的隔离精确测量,测量时一次侧与二次侧间完全绝缘。
性能要求 | ||||||
参数名称 | 符号 | 单位 | 参数 | 条件 | ||
最小值 | 典型值 | 最大值 | ||||
电气参数 | ||||||
最大量程(通道1) | IPN1 | A | 20A~100A | For more details, please contact CRRC | ||
最大量程(通道2) | IPN2 | A | 200A~1000A | For more details, please contact CRRC | ||
电源电压 | UC | V | 4.75 | 5 | 5.25 | |
工作温度 | TA | °C | -40 | 125 | ||
输出电压(模拟) | Vout | V | Vout=(Uc/5)·(V0+G·Ip) | |||
灵敏度 | G | mV/A | G=2000/IP | @UC=5V | ||
零点输出 | VO | V | 2.5 | |||
电流消耗 | IC | mA | 15 | 20 | @ UC=5V,No load on Vout | |
负载电阻 | RL | KΩ | 10 | |||
负载电容 | CL | nF | 1 | 100 | ||
输出内阻 | ROUT | Ω | 1 | 10 | DC | |
性能参数 | ||||||
灵敏度误差 | εG | % | ±3.33 | channel 1,@-40℃<TA<125℃,@UC=5V | ||
±3 | channel 2,@-40℃<TA<125℃,@UC=5V | |||||
零点输出误差 | Xo | A | ±0.35 | channel 1,@-40℃<TA<125℃,@UC=5V | ||
±1.8 | channel 2,@-40℃<TA<125℃,@UC=5V | |||||
比例误差 | ɛR | % | ±0.6 | |||
线性度误差 | εL | % | ±0.5 | Of full range | ||
带宽 | BW | Hz | 70 | @-3dB | ||
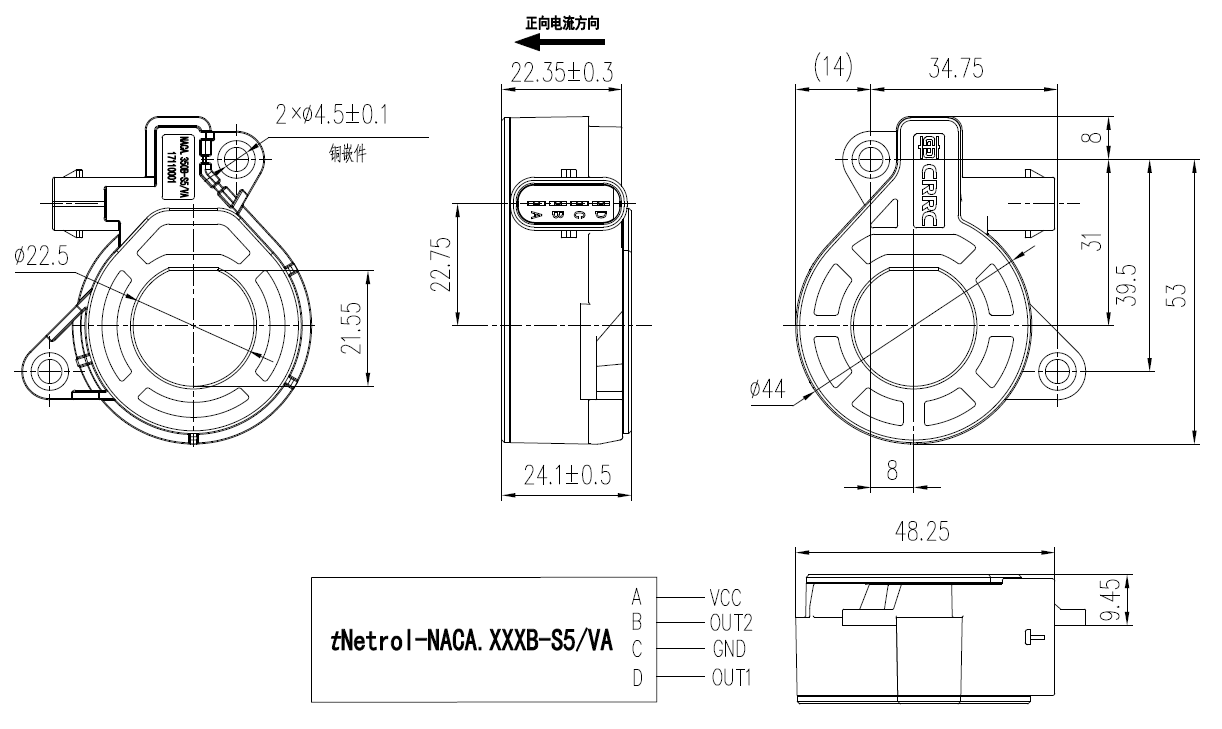
| 尺寸图 |
系列尺寸 |
|
电气接口 | ||
| 引脚输出 | 接口定义 |
A | 电源VCC | |
B | 通道2输出Vout2 | |
C | GND | |
D | 通道1输出Vout1 | |
上一篇:NACA.200M-S5/SP2VA
下一篇:NACA.XXXM-S5/SP2VA
×
预约上门
请拨打销售热线 0531-8228 6666,或让我们联系您!


