×
提示信息:
确认
欢迎来到红宝电子!
0531-8228 6666

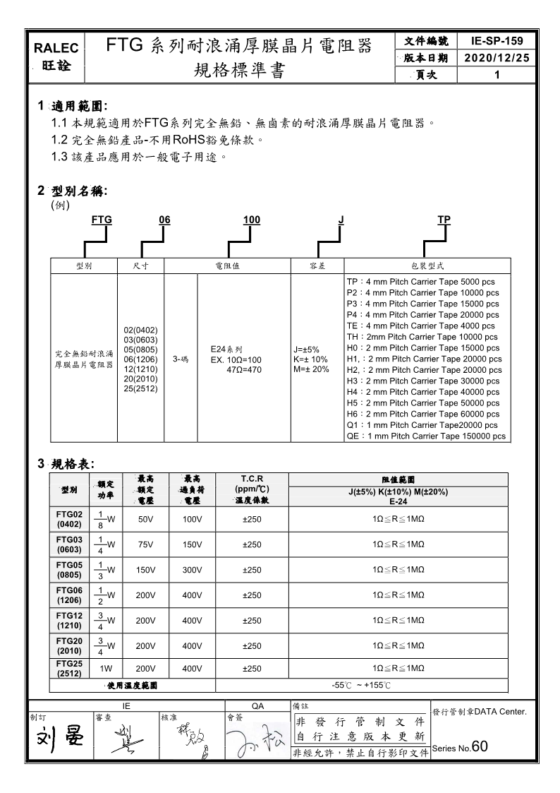
旺诠 贴片电阻全无铅厚膜芯片电阻全无铅FTG Anti_Surge

品牌:旺诠 贴片电阻

型号:FTG Anti_Surge

系列:FTG Anti_Surge

工作温度范围:-55℃ ~ +155℃

应用领域:全无铅一般型厚膜芯片电阻 可免除欧盟RoHs之无铅排外条款

产品详情

20210425023147771_1.png

20210425023147771_2.png

20210425023147771_3.png

20210425023147771_4.png

20210425023147771_5.png

上一篇:FTG Pulse_Proof 下一篇:FTW
×
预约上门
请拨打销售热线 0531-8228 6666,或让我们联系您!
联系人:
*
电话:
*
留言内容: