欢迎来到红宝电子!

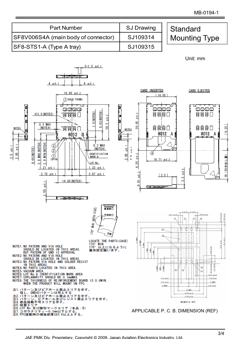
精密连接器 日本JAE连接器 记忆卡座连接器 SIM卡座 SF8 Series (GSM 11.11 Plug in SIM Card Connector)
品牌:日本JAE
型号:SF8 Series (GSM 11.11 Plug in SIM Card Connector)
系列:SF8 Series (GSM 11.11 Plug in SIM Card Connector)
工作温度范围:-40 deg. C to +90 deg. C
应用领域:GSM方式携帯電話
产品详情




×
预约上门
请拨打销售热线 0531-8228 6666,或让我们联系您!
