欢迎来到红宝电子!

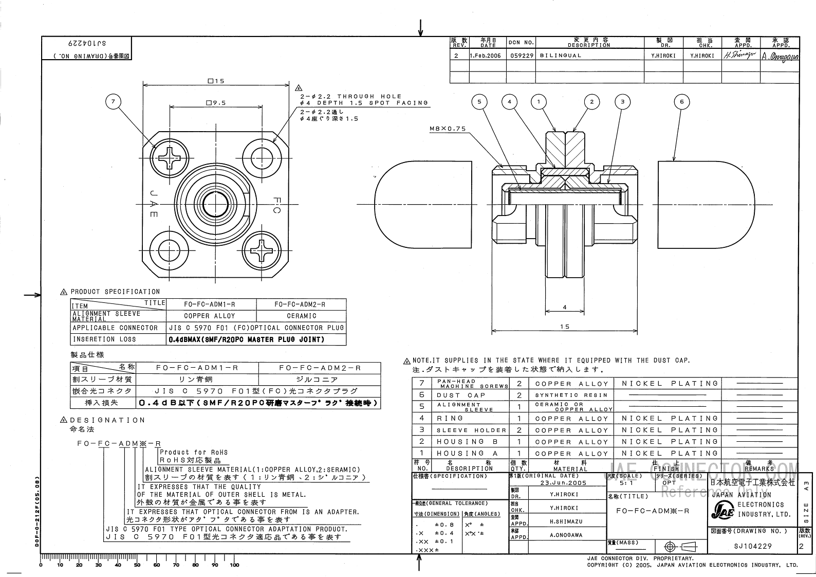
精密连接器 日本JAE连接器 光纤连接器 FO-FC Series Optical Connector
品牌:日本JAE
型号:FO-FC Series Optical Connector
系列:FO-FC Series Optical Connector
工作温度范围:
应用领域:FC型(符合JIS C 5970) 螺纹联轴器。 对于单模和多模 (注意)插头外壳和套圈单独出售。 除了独立的插头外壳单元外,我们还提供标准线束产品。 除标准线束产品外,我们还可以加工线束以满足客户的规格要求。
产品详情

×
预约上门
请拨打销售热线 0531-8228 6666,或让我们联系您!
