欢迎来到红宝电子!

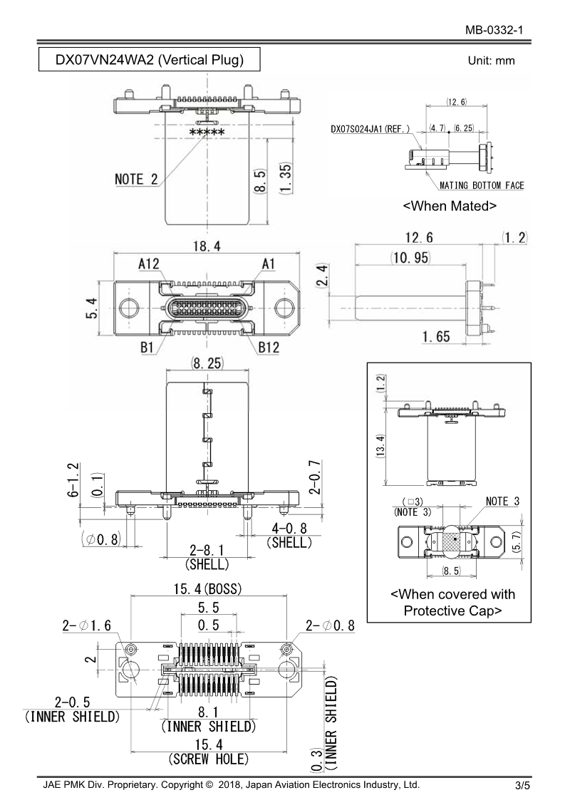
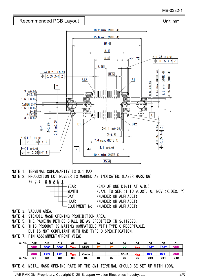
精密连接器 日本JAE连接器 方型连接器 DX07 Series USB Type-C Connector (Plug)
品牌:日本JAE
型号:DX07 Series USB Type-C Connector (Plug)
系列:DX07 Series USB Type-C Connector (Plug)
工作温度范围:-30 deg. C to +80 deg. C
应用领域:智能手机、平板电脑、个人电脑、数码摄像机、数码相机以及其他小型手持设备和工业设备。
产品详情





×
预约上门
请拨打销售热线 0531-8228 6666,或让我们联系您!
