欢迎来到红宝电子!

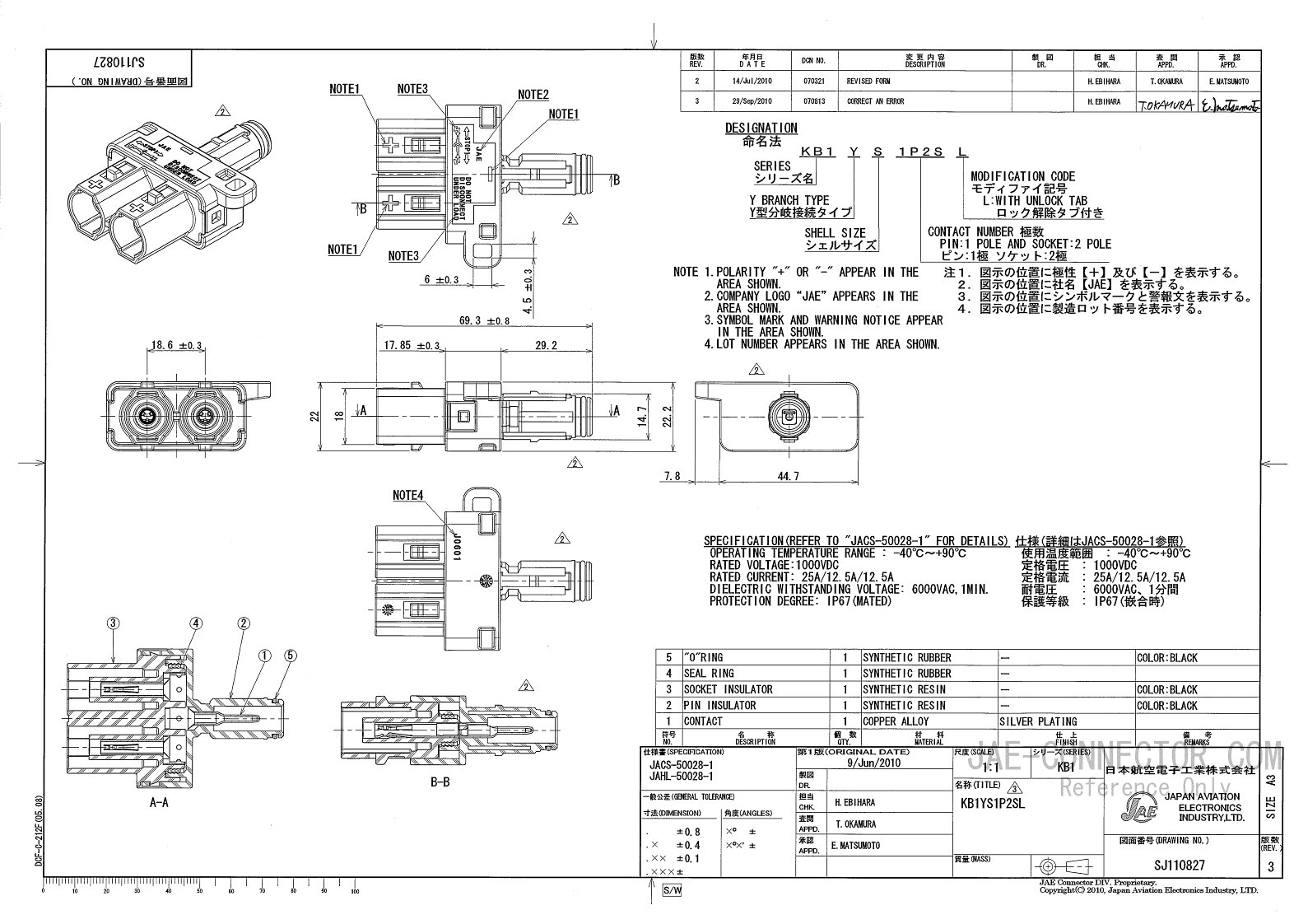
精密连接器 日本JAE连接器 大电流连接器 KB1 Series (High-current Connector for Solar Panel Module)
品牌: 日本JAE
型号:KB1 Series (High-current Connector for Solar Panel Module)
系列:KB1 Series (High-current Connector for Solar Panel Module)
工作温度范围:-40 deg. C to +90 deg. C
应用领域:太阳能电池板组件
产品详情

上一篇:DW Series (High-Current Connector)
下一篇:没有了
×
预约上门
请拨打销售热线 0531-8228 6666,或让我们联系您!
