欢迎来到红宝电子!

松川继电器 汽车继电器Series No. 896
品牌:松川
型号:Series No. 896
系列:Series No. 896
工作温度范围:-40℃~125℃。
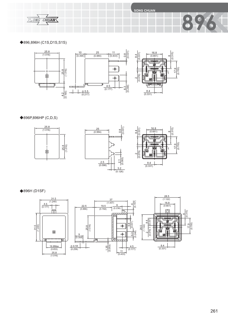
应用领域:微小型ISO汽车继电器。 触点型式有一组常开型、一组常闭型、一组转换型、两组常开型。 常开触点可达50A阻性负载,常闭触点可达30A阻性负载,100,000次,23°C。 工作环境温度-40℃~125℃。 可选用一般外盖、有安装架外盖、铁质托架裙摆外盖、铁质托架防水外盖等型式。 可选用PCB用引出端及插座用引出端型式。 可搭配选用二极管或电阻。 符合RoHS 2011/65/EU和ELV 2000/53/EC指令。
产品详情





上一篇:Series No. 895
下一篇:Series No. 896
×
预约上门
请拨打销售热线 0531-8228 6666,或让我们联系您!
