×
提示信息:
确认
欢迎来到红宝电子!
0531-8228 6666

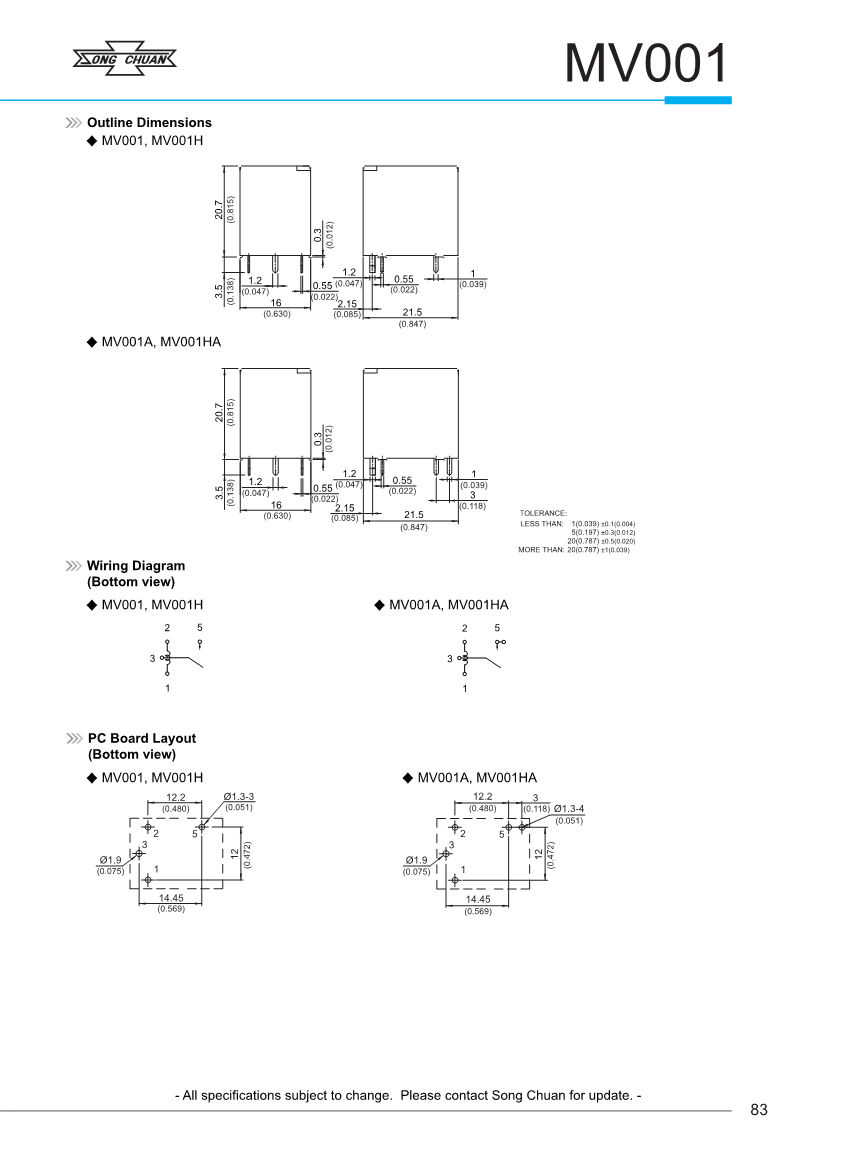
松川继电器 绿能应用继电器Series No. MV001

品牌:松川

型号:Series No. MV001

系列:Series No. MV001

工作温度范围:-40~+85°C

应用领域:高性能方糖形功率继电器。 触点间距2.1mm。 符合RoHS 2011/65/EU指令。

产品详情

20161111741648990_1.png

20161111741648990_2.png

20161111741648990_3.png

上一篇:Series No. HV024 下一篇:Series No. MV002
×
预约上门
请拨打销售热线 0531-8228 6666,或让我们联系您!
联系人:
*
电话:
*
留言内容: